myDS420.info website: Parts Catalogue RTC9887FAE (fiches, Feb. 1989)
DS420-outline
 
Parts Catalogue RTC9887FAE (Feb. 1989)
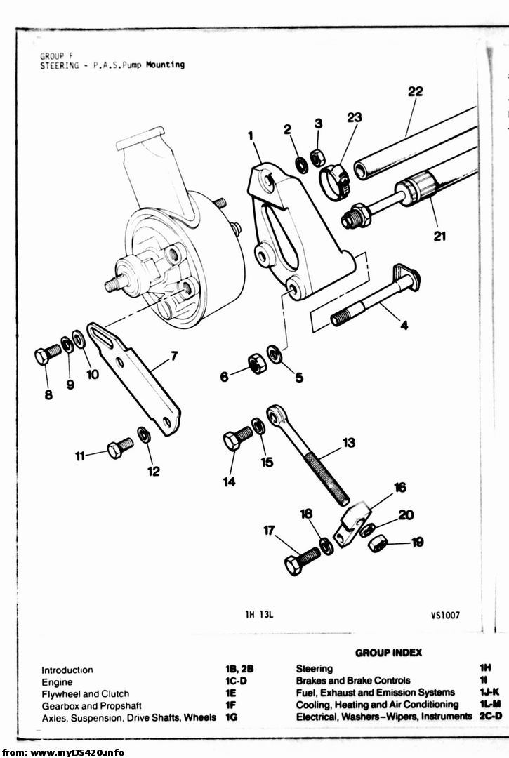
page 1H13L large
prev.pict
large
prev.pict
medium
curr.pict
medium
next pict
medium
next pict
large
Back to the Table of Contents
Show the Parts Description

p1H13L lt icon gt icon


Back to the Table of Contents or to the indexHomepage